Q&A: 2002 Lincoln LS AC Blowing Hot Air - Compressor & Ford DTC P1460

2004 Lincoln Ls Low Side Ac Port Location Ac Service Port On

[diagram] 2004 lincoln ls wiring diagram original Q&a: 2004 lincoln ls blend door actuator location & toyota dtc b2798

Lincoln ls ac problems: q&a on blend door actuator locations Ac service port on 2000 lincoln ls v6 Low side ac port on lincoln navigator

2004 Lincoln Ls Cooling System Diagram

ac service port on 2000 lincoln ls v6

Q&a: 2002 lincoln ls ac blowing hot air

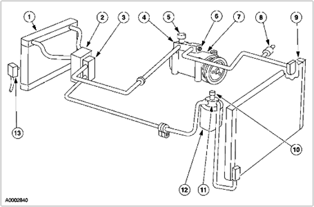
Q&a: 2002 lincoln ls ac blowing hot airHigh and low side ac port locations? 2004 lincoln ls cooling system diagramVisualizing the engine components of the 2004 lincoln ls.

lincoln ls ac recharge: low side port location & repairLincoln town car ac recharge: low side port location & parts diagram ac service port on 2000 lincoln ls v6Q&a: 2004 lincoln ls blend door actuator location & toyota dtc b2798.

Zone Manual: Manual Lincoln Ls 2001
Zone Manual: Manual Lincoln Ls 2001

location of low side charging port: air conditioning problem v8 ...

Lincoln ls 2000-2004: obd port location & engine diagramsQ&a: 2004 lincoln ls ac compressor issues & low side port location Of. my 2003 lincoln ls has had issues for the past 6 months. the car ...lincoln ls ac problems: q&a on blend door actuator locations.

Zone manual: manual lincoln ls 2001Location of low side charging port: air conditioning problem v8 Where is the low side service port on the ac system on a 2005 lincoln ls?Lincoln ls low side ac port: q&a guide for 2002-2006 models.

SOLVED: Location of low side A/C port on 2001 Lincoln LS V - Fixya
SOLVED: Location of low side A/C port on 2001 Lincoln LS V - Fixya

Lincoln ls ac recharge: low side port location & repair

ac service port on 2000 lincoln ls v6I have a 2003 lincoln ls and im am trying to install a aftermarket nav ... lincoln ls low side ac port: q&a guide for 2002-2006 modelsHigh and low side ac port locations?.

2004 lincoln ls cooling system diagramLincoln ls ac service port: q&a for 2004 model Ac service port on 2000 lincoln ls v6lincoln town car ac recharge: low side port location & parts diagram ....

2004 Lincoln Ls Cooling System Diagram
2004 Lincoln Ls Cooling System Diagram

Q&a: 2002 lincoln ls ac blowing hot air

Q&a: 2004 lincoln ls ac compressor issues & low side port locationWhere is the low side service port on the ac system on a 2005 lincoln ls? Ac service port on 2000 lincoln ls v6Solved: location of low side a/c port on 2001 lincoln ls v.

lincoln ls 2000-2004: obd port location & engine diagramsQ&a: 2002 lincoln ls ac blowing hot air low side ac port on lincoln navigatorZone manual: manual lincoln ls 2001.

High and Low Side AC Port Locations?
High and Low Side AC Port Locations?

Q&a: 2002 lincoln ls ac blowing hot air

I have a 2003 lincoln ls and im am trying to install a aftermarket navlincoln ls ac service port: q&a for 2004 model Ac service port on 2000 lincoln ls v6Q&a: ac service port locations for 2000 lincoln continental, town car ....

Ac on my 2003 lincoln ls blows hot air on one side and warm air on[diagram] 2004 lincoln ls wiring diagram original lincoln ls ac: expert q&a for front vent air issues2000 lincoln ls: air conditioning problem 2000 lincoln ls v8 two ....

AC Service Port on 2000 Lincoln LS V6 | Lincoln vs Cadillac Forums
AC Service Port on 2000 Lincoln LS V6 | Lincoln vs Cadillac Forums

Visualizing the engine components of the 2004 lincoln ls

Q&a: how to add freon to ac in 2002 lincoln ls v8?Q&a: 2004 lincoln ls ac recharge & common problems Lincoln ls ac recharge: low side port location & repairSolved: location of low side a/c port on 2001 lincoln ls v.

Q&a: 2002 lincoln ls ac blowing hot airQ&a: 2004 lincoln ls blend door actuator location & toyota dtc b2798 2000 lincoln ls: air conditioning problem 2000 lincoln ls v8 twoQ&a: ac service port locations for 2000 lincoln continental, town car.

Q&A: 2002 Lincoln LS AC Blowing Hot Air - Compressor & Ford DTC P1460
Q&A: 2002 Lincoln LS AC Blowing Hot Air - Compressor & Ford DTC P1460

Of. my 2003 lincoln ls has had issues for the past 6 months. the car

Lincoln ls ac: expert q&a for front vent air issuesQ&a: how to add freon to ac in 2002 lincoln ls v8? High and low side ac port locations?Q&a: 2004 lincoln ls ac recharge & common problems.

Q&a: 2004 lincoln ls blend door actuator location & toyota dtc b2798ac on my 2003 lincoln ls blows hot air on one side and warm air on ... ac service port on 2000 lincoln ls v6lincoln ls ac recharge: low side port location & repair.

Q&A: 2004 Lincoln LS Blend Door Actuator Location & Toyota DTC B2798
Q&A: 2004 Lincoln LS Blend Door Actuator Location & Toyota DTC B2798

High and low side ac port locations?

.

.

AC Service Port on 2000 Lincoln LS V6 | Lincoln vs Cadillac Forums
AC Service Port on 2000 Lincoln LS V6 | Lincoln vs Cadillac Forums
AC on my 2003 Lincoln LS blows hot air on one side and warm air on
AC on my 2003 Lincoln LS blows hot air on one side and warm air on
Lincoln LS 2000-2004: OBD Port Location & Engine Diagrams | JustAnswer
Lincoln LS 2000-2004: OBD Port Location & Engine Diagrams | JustAnswer
Q&A: 2002 Lincoln LS AC Blowing Hot Air - Compressor & Ford DTC P1460
Q&A: 2002 Lincoln LS AC Blowing Hot Air - Compressor & Ford DTC P1460
Lincoln LS Low Side AC Port: Q&A Guide for 2002-2006 Models
Lincoln LS Low Side AC Port: Q&A Guide for 2002-2006 Models